EDU/S - EDU/SM Long range nozzle diffusers with damper
Description
Long range aluminium diffusers, adjustable with a max. angle of 30°.
Characteristics
Material: aluminium.
Finish: satin aluminium.
Installation: with flange (on duct) or with fitting (on flexible duct).
Installation height between 3 m and 30 m depending on the model.
Models
- EDU/S Long throw nozzle diffusers with damper.
- EDU/SM Long throw nozzle diffusers with damper with set-up for motor.
Use
Installation in rooms with very high ceilings or where a long air throw in needed.
Accessories
- Servomotors for EDU/SM: the servomotor is supplied disassembled from the long range diffuser (installation by the customer);
- EDU-C - Screw cover;
- EDU-SW - Rear swirl (throw reducer);
- EDU-RF - Fitting for flexible duct;
- EDU-RC - Fitting for circular duct.
On request
Ral painting on request.
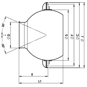
Dimensions:
all dimensions are expressed in mm
Models Effective Cross-Section m2 ØD ØS ØC ØF E L1 ØJ Ø Hole 80 0,0059 80 160 245 226 92 149 249 205 150 0,0183 150 300 385 366 173 276 389 352 200 0,0325 200 400 485 466 226 367 489 452 230 0,0432 230 400 485 466 216 357 489 452 250 0,0513 250 400 485 466 208 349 489 452 300 0,0745 300 400 485 466 184 325 489 452
Operating data:
Vk: effective speed (m/s)
m³/h: flow rate
Pa: pressure drops in Pascal
L(m): air throw in metres calculated on ceiling installation, terminal velocity 0.25 m/s
dB(A): noise level
From model 40 to 200 made with central cone, model 230 without central cone
| Models | Vk (m/s) | 2 | 4 | 6 | 8 | 10 |
| 80 | m³/h | 36 | 72 | 108 | 135 | 168 |
| L(m) | 4,0 | 8,0 | 12,0 | 15,0 | 19,0 | |
| Pa | 2,0 | 10 | 22 | 36 | 57 | |
| dB(A) | <20 | <20 | <20 | 22 | 29 | |
| 150 | m³/h | 127 | 254 | 382 | 509 | 637 |
| L(m) | 6,0 | 12,0 | 19,0 | 25,0 | 32,0 | |
| Pa | 2 | 8 | 19 | 34 | 55 | |
| dB(A) | <20 | <20 | 21 | 29 | 37 | |
| 200 | m³/h | 226 | 452 | 678 | 904 | 1130 |
| L(m) | 8,0 | 17,0 | 25,0 | 34,0 | 42,0 | |
| Pa | 2 | 8 | 19 | 34 | 55 | |
| dB(A) | <20 | <20 | 20 | 28 | 35 | |
| 230 | m³/h | 298 | 597 | 896 | 1195 | 1494 |
| L(m) | 9,0 | 20,0 | 29,0 | 39,0 | 45,0 | |
| Pa | 2 | 8 | 19 | 34 | 55 | |
| dB(A) | <20 | <20 | 21 | 28 | 35 | |
| 250 | m³/h | 353 | 707 | 1060 | 1413 | 1766 |
| L(m) | 10,0 | 21,0 | 31,0 | 42,0 | 48,0 | |
| Pa | 2 | 8 | 19 | 34 | 55 | |
| dB(A) | <20 | <20 | 24 | 31 | 36 | |
| 300 | m³/h | 509 | 1017 | 1526 | 2035 | 2543 |
| L(m) | 13,0 | 25,0 | 36,0 | 44,0 | 51,0 | |
| Pa | 2 | 8 | 19 | 34 | 55 | |
| dB(A) | <20 | <20 | 23 | 30 | 35 |
EDU/SM Long range nozzle diffusers with set-up for motor
D* Screw cover
All measurements are expressed in mm.
Dn A B C D* E F G min H min Servomotor On - Off Modulating Servomotor 80 80 158 200 258 204 50 38 60 CM24-L / CM230-L CM24-SR-L 150 150 313 283 388 352 60 70 85 NM24A / NM230A NM24A-SR / NM230ASR 200 200 398 283 488 452 60 70 85 NM24A / NM230A NM24A-SR / NM230ASR 230 230 398 283 488 452 60 70 85 NM24A / NM230A NM24A-SR / NM230ASR 250 250 398 283 488 452 60 70 85 NM24A / NM230A NM24A-SR / NM230ASR 300 300 398 283 488 452 60 70 85 NM24A / NM230A NM24A-SR / NM230ASR
Fitting for flexible duct
| Models | ØA | ØB | C | D | E | Ø F int | L |
| EDU-RF 80 | 158 | 230 | 60 | 100 | 60 | 210 | 220 |
| EDU-RF 150 | 248 | 378 | 60 | 130 | 60 | 358 | 250 |
| EDU-RF 200 | 398 | 480 | 60 | 170 | 60 | 460 | 290 |
| EDU-RF 230 | 398 | 480 | 60 | 170 | 60 | 460 | 290 |
| EDU-RF 250 | 398 | 480 | 60 | 170 | 60 | 460 | 290 |
| EDU-RF 300 | 398 | 480 | 60 | 170 | 60 | 460 | 290 |
Fitting for circular duct
| Models | L2 | Ø D1 | Ø D2 | Duct | |
| min | max | ||||
| EDU-RC 80 | 200 | 210 | 230 | 315 | 630 |
| EDU-RC 150 | 300 | 358 | 378 | 500 | 800 |
| EDU-RC 200 | 350 | 460 | 480 | 500 | 1000 |
| EDU-RC 230 | 350 | 460 | 480 | 500 | 1000 |
| EDU-RC 250 | 350 | 460 | 480 | 500 | 1000 |
| EDU-RC 300 | 350 | 460 | 480 | 500 | 1000 |
Swirl deflector
The swirl deflector installed at the back of the nozzle diffuser generates a rotary motion that increases induction and reduces the throw of the diffuser by 40% and is particularly suitable for the supply of high air flow rates in medium-sized rooms as it prevents sensitive air currents in the occupied area.
Assembly in sets
| Models | L - Minimum Distance (mm) |
| 80 | 300 |
| 150 | 430 |
| 200 | 430 |
| 230 | 550 |
| 250 | 550 |
| 300 | 550 |
Price list:
Models EDU/S - Diffuser with damper EDU/S - Diffuser prepared for servomotors Servomotors for EDU/SM EDU-C - Screw Cover EDU-SW - Rear Swirl EDU-RF - Fitting for Flexible Duct EDU-RC - Fitting for Circular Duct ON / OFF Modulating 24V 230V 24V 230V euro euro euro euro euro euro euro euro euro euro 80 142,13 339,14 204,25 216,09 293,06 - 30,41 49,29 31,13 68,26 150 268,54 444,26 297,50 307,86 426,27 488,43 44,14 65,18 52,65 94,58 200 343,88 520,70 55,14 74,96 70,25 129,69 230 358,66 528,22 55,14 74,96 70,25 137,50 250 372,55 534,72 300 382,14 545,74