EDU/LFS Diffusori a ugello orientabili a lunga gittata con serranda ed attacco per canale circolare o flessibile
EDU/LFS Diffusori a ugello orientabili a lunga gittata comprensivi di coprighiera, serranda e connessione per tubo flessibile o canale circolare rigido.
Descrizione
Diffusori in alluminio a lunga gittata orientabili con angolatura max 30°.
Caratteristiche
Materiale: alluminio.
Finitura: alluminio satinato.
Installazione: con flangia a parete.
Altezza di installazione compresa tra 3 m e 30 m in base al modello.
Finitura: alluminio satinato.
Installazione: con flangia a parete.
Altezza di installazione compresa tra 3 m e 30 m in base al modello.
Impiego
Ambienti con soffitti molto alti o dove sia necessaria una distribuzione dell’aria a distanza e/o localizzata.
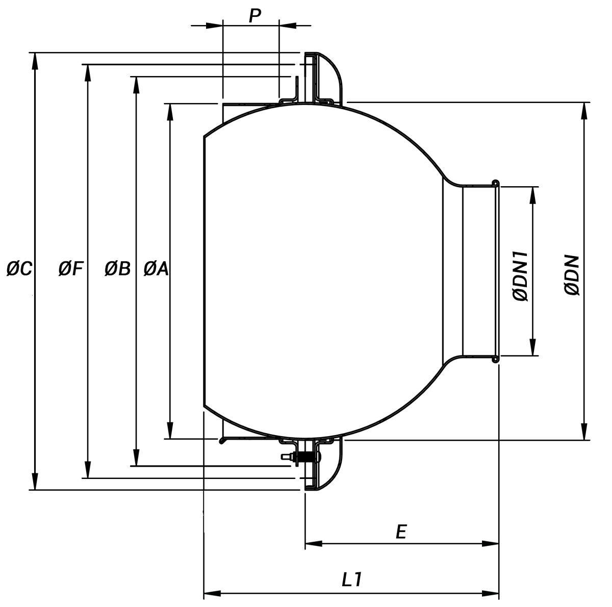
Dimensioni
Tutte le dimensioni sono espresse in mm.
| Modello | Sezione efficace m² | Ø DN | Ø DN1 | Ø A | Ø B | Ø C | Ø F | L1 | E | P |
| 80 | 0,0050 | 160 | 80 | 158 | 206 | 249 | 226 | 170 | 100 | 50 |
| 150 | 0,0177 | 300 | 150 | 298 | 346 | 389 | 366 | 262 | 172 | 50 |
| 200 | 0,0314 | 400 | 200 | 398 | 446 | 489 | 466 | 335 | 225 | 50 |
| 230 | 0,0415 | 400 | 230 | 398 | 446 | 489 | 466 | 325 | 215 | 50 |
| 250 | 0,0490 | 400 | 250 | 398 | 446 | 489 | 466 | 320 | 207 | 50 |
| 300 | 0,0710 | 400 | 300 | 398 | 446 | 489 | 466 | 298 | 184 | 50 |
Dati di funzionamento
Vk: velocità efficace (m/s)
m³/h: portata
Pa: perdite di carico in Pascal
L(m): lancio in metri calcolato con installazione a filo soffitto e velocità terminale 0,25 m/s
dB(A): indice di rumorosità
| Modello | Vk (m/s) | 2 | 4 | 6 | 8 | 10 |
| 80 | m³/h | 36 | 72 | 108 | 135 | 168 |
| L(m) | 4,0 | 8,0 | 12,0 | 15,0 | 19,0 | |
| Pa | 2,0 | 10 | 22 | 36 | 57 | |
| dB(A) | <20 | <20 | <20 | 22 | 29 | |
| 150 | m³/h | 127 | 254 | 382 | 509 | 637 |
| L(m) | 6,0 | 12,0 | 19,0 | 25,0 | 32,0 | |
| Pa | 2 | 8 | 19 | 34 | 55 | |
| dB(A) | <20 | <20 | 21 | 29 | 37 | |
| 200 | m³/h | 226 | 452 | 678 | 904 | 1130 |
| L(m) | 8,0 | 17,0 | 25,0 | 34,0 | 42,0 | |
| Pa | 2 | 8 | 19 | 34 | 55 | |
| dB(A) | <20 | <20 | 20 | 28 | 35 | |
| 230 | m³/h | 298 | 597 | 896 | 1195 | 1494 |
| L(m) | 9,0 | 20,0 | 29,0 | 39,0 | 45,0 | |
| Pa | 2 | 8 | 19 | 34 | 55 | |
| dB(A) | <20 | <20 | 21 | 28 | 35 | |
| 250 | m³/h | 353 | 707 | 1060 | 1413 | 1766 |
| L(m) | 10,0 | 21,0 | 31,0 | 42,0 | 48,0 | |
| Pa | 2 | 8 | 19 | 34 | 55 | |
| dB(A) | <20 | <20 | 24 | 31 | 36 | |
| 300 | m³/h | 509 | 1017 | 1526 | 2035 | 2543 |
| L(m) | 13,0 | 25,0 | 36,0 | 44,0 | 51,0 | |
| Pa | 2 | 8 | 19 | 34 | 55 | |
| dB(A) | <20 | <20 | 23 | 30 | 35 |
Listino prezzi