AERONIX Modulo di sanificazione con flangia per accoppiamento a canale
Descrizione
AERONIX è un sistema di sanitizzazione avanzato che sfruttando il fenomeno fisico della ionizzazione, promuove la formazione controllata di particolari specie elettricamente cariche nell’aria attraverso un campo elettrostatico. Le specie ioniche prodotte sono particolarmente efficaci come agenti sanificanti in aria e sulle superfici. AERONIX è un modulo di sanitizzazione in ACCIAO INOX completo di una flangia per lo staffaggio a canale.
AERONIX può essere installato in ogni impianto di ventilazione ed è concepito per la purificazione e la decontaminazione dell’aria in entrata negli ambienti da virus, muffe, batteri, pollini oltre a fumi e odori di varia natura.
Il modulo è molto efficace per prevenire o eliminare la formazione di colonie batteriche e muffe nelle condotte aerauliche.
AERONIX sanifica l’aria e le superfici in modo continuativo, senza effetti collaterali sui materiali, elimina gli odori e migliora il comfort ambientale. Nei luoghi di lavoro garantisce agli operatori la salubrità dell’aria come previsto dalle normative per la sicurezza dei lavoratori. DL.81/2008.
AERONIX può essere installato in ogni impianto di ventilazione ed è concepito per la purificazione e la decontaminazione dell’aria in entrata negli ambienti da virus, muffe, batteri, pollini oltre a fumi e odori di varia natura.
Il modulo è molto efficace per prevenire o eliminare la formazione di colonie batteriche e muffe nelle condotte aerauliche.
AERONIX sanifica l’aria e le superfici in modo continuativo, senza effetti collaterali sui materiali, elimina gli odori e migliora il comfort ambientale. Nei luoghi di lavoro garantisce agli operatori la salubrità dell’aria come previsto dalle normative per la sicurezza dei lavoratori. DL.81/2008.
Caratteristiche:
Le caratteristiche di rilievo di AERONIX sono:
• alta efficienza: abbattimento della carica virale, microbica e dei composti organici volatili fino al 99 %;
• basso consumo energetico: 20VA;
• forte azione deodorigena: elimina gli odori dall’aria in transito;
• processo naturale: non usa o produce sostanze chimiche residue.
Il modulo di sanificazione è costituito dalle unità ionizzanti esposte al flusso d’aria, e da un’elettronica di controllo, racchiusa all’interno di un involucro isolante.
L’elettronica presente nel modulo è predisposta per l’invio di segnali di output utili per segnalare avvisi di manutenzione ed eventuali anomalie.
E’ presente l’interfaccia seriale RS485 con protocollo Modbus per l’interrogazione e la programmazione dei principali parametri e per la diagnosi remota del modulo.
• alta efficienza: abbattimento della carica virale, microbica e dei composti organici volatili fino al 99 %;
• basso consumo energetico: 20VA;
• forte azione deodorigena: elimina gli odori dall’aria in transito;
• processo naturale: non usa o produce sostanze chimiche residue.
Il modulo di sanificazione è costituito dalle unità ionizzanti esposte al flusso d’aria, e da un’elettronica di controllo, racchiusa all’interno di un involucro isolante.
L’elettronica presente nel modulo è predisposta per l’invio di segnali di output utili per segnalare avvisi di manutenzione ed eventuali anomalie.
E’ presente l’interfaccia seriale RS485 con protocollo Modbus per l’interrogazione e la programmazione dei principali parametri e per la diagnosi remota del modulo.
Impiego
Il modulo AERONIX può essere utilizzato in qualunque tipo di impianto di Ventilazione Meccanica Controllata con una portata aria fino ai 500m³/h. Il suo funzionamento può essere continuativo, cioè sempre acceso in presenza del flusso d’aria, oppure controllato mediante la comunicazione seriale RS485.
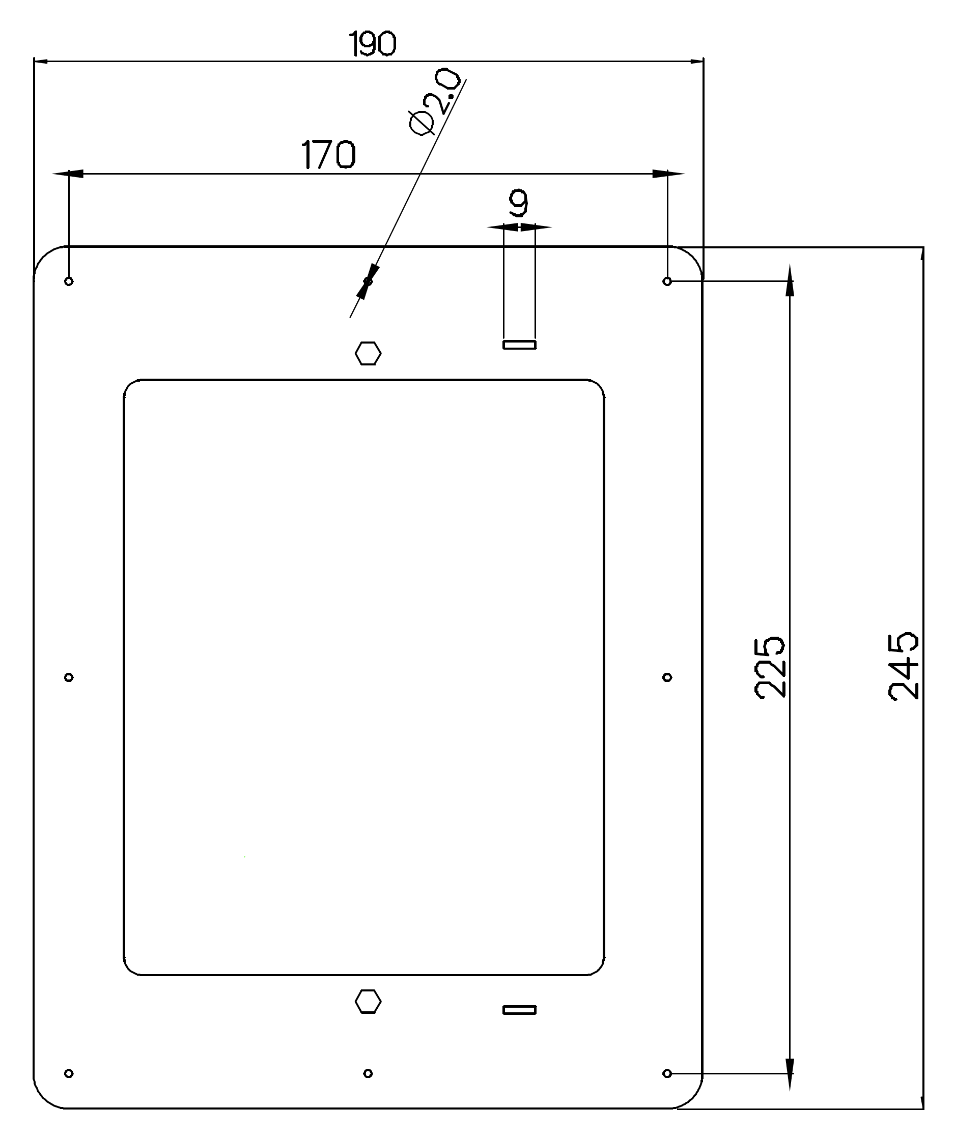
Dimensioni:
Listino prezzi AERONIX
| Modello | prezzo |
| euro | |
| AERONIX | 1.028,57 |
Kit tubi ionizzanti:
Descrizione Euro Kit tubi ionizzanti per AERONIX A.R.