EV BASIC-U Ventilatori elicoidali da parete
Descrizione
Ventilatori elicoidali a pannello quadro con ventola a 6/7 pale in alluminio, con prestazioni conformi alla direttiva ERP.
VERSIONE STANDARD: premente, direzione flusso aria dal motore a ventola.
VERSIONE STANDARD: premente, direzione flusso aria dal motore a ventola.
Caratteristiche
- Pannelli e reti in acciaio verniciato a polveri epossidiche di colore nero RAL 9005.
- Ventole con pale in alluminio e raggiera in acciaio tropicalizzato.
- Motori asincroni unificati, IP55, classe F.
- Ventole con pale in alluminio e raggiera in acciaio tropicalizzato.
- Motori asincroni unificati, IP55, classe F.
Accessori
Regolatori di velocità monofase.
Inverter.
Serrande a gravità.
Inverter.
Serrande a gravità.
Applicazione
Ventilatore idoneo per esser installato in ambienti industriali per il ricambio dell'aria.
A richiesta
VERSIONE ASPIRANTE, direzione flusso aria dalla ventola al motore.
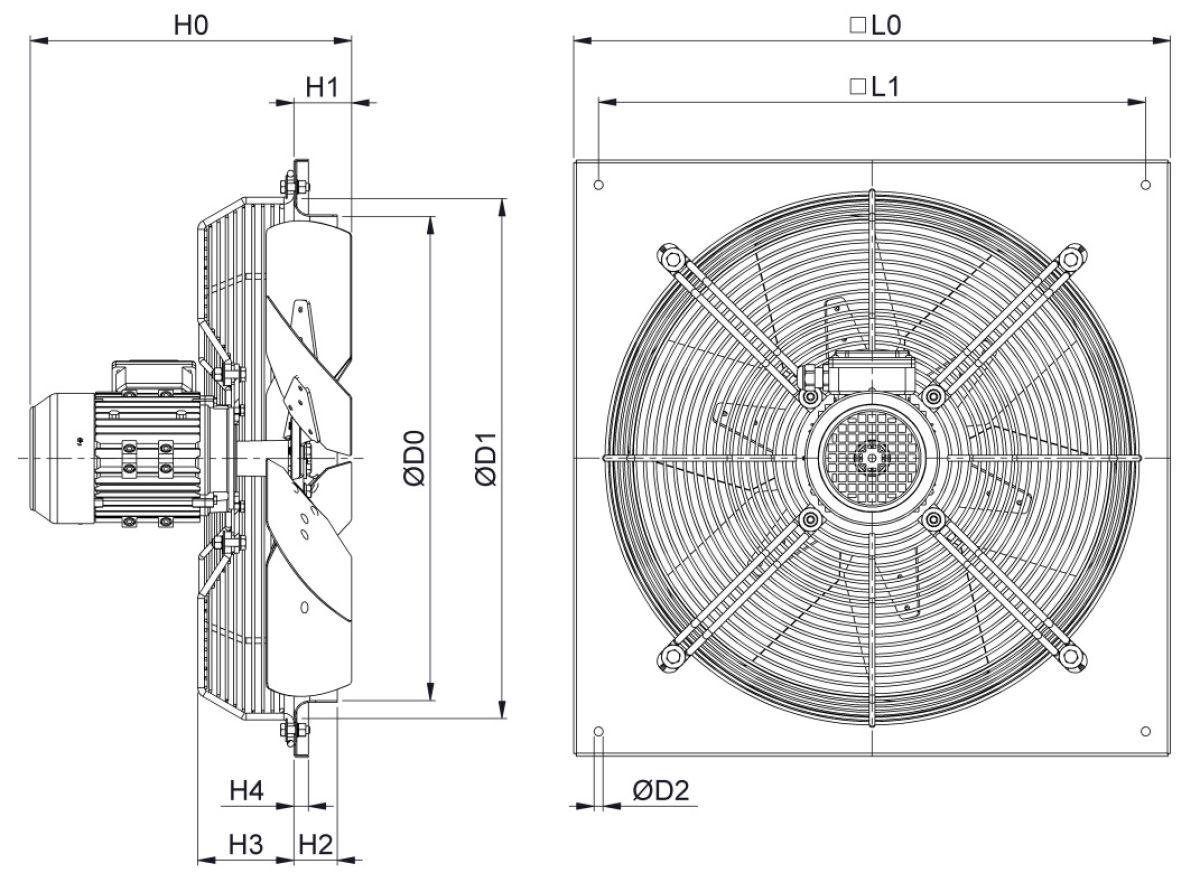
Dimensioni
tutte le dimensioni sono espresse in mm
| Modello | 〼L0 | 〼L1 | ØD0 | ØD1 | ØD2 | H0 | H1 | H2 | H3 | H4 | kg |
| 250-2M | 350 | 300 | 255 | 281 | 9 | 270 | 60 | 40 | 60 | 15 | 7,4 |
| 250-2T | 7,4 | ||||||||||
| 250-4M | 6,4 | ||||||||||
| 250-4T | 6,4 | ||||||||||
| 310-2M | 400 | 350 | 317 | 346 | 9 | 290 | 60 | 40 | 60 | 15 | 9,9 |
| 310-2T | 9,9 | ||||||||||
| 310-4M | 6,8 | ||||||||||
| 310-4T | 6,8 | ||||||||||
| 350-4M | 450 | 400 | 356 | 388 | 9 | 295 | 60 | 40 | 60 | 15 | 10,1 |
| 350-4T | 10,1 | ||||||||||
| 350-6T | 10,1 | ||||||||||
| 400-4M | 500 | 450 | 400 | 442 | 9 | 325 | 60 | 40 | 80 | 15 | 11,8 |
| 400-4T | 11,8 | ||||||||||
| 400-6T | 11,1 | ||||||||||
| 450-4M | 550 | 500 | 451 | 480 | 9 | 325 | 60 | 40 | 80 | 15 | 12,7 |
| 450-4T | 12,7 | ||||||||||
| 450-6T | 12,7 | ||||||||||
| 500-4M | 600 | 550 | 503 | 530 | 9 | 375 | 80 | 50 | 100 | 15 | 19,5 |
| 500-4T | 19,5 | ||||||||||
| 500-6T | 600 | 550 | 503 | 530 | 9 | 351 | 80 | 50 | 100 | 15 | 15,6 |
| 560-4T | 680 | 630 | 559 | 595 | 9 | 375 | 80 | 50 | 100 | 15 | 21,4 |
| 560-6T | 680 | 630 | 559 | 595 | 9 | 351 | 80 | 50 | 100 | 15 | 17,7 |
| 630-4T | 730 | 680 | 634 | 675 | 9 | 385 | 130 | 100 | 100 | 15 | 26,7 |
| 630-6T | 730 | 680 | 634 | 675 | 9 | 362 | 130 | 100 | 100 | 15 | 22,9 |
| 710-6T | 950 | 900 | 711 | 770 | 9 | 443 | 160 | 160 | 54 | 20 | 34 |
| 800-6T | 1050 | 1000 | 797 | 864 | 9 | 560 | 160 | 160 | 56 | 20 | 46 |
Dati di funzionamento
M: monofase
T: trifase
Pa: perdite di carico in Pascal
dB(A): indice di rumorosità a 3 m
| Modello | kW | Assorbimento | giri | dB(A) | portata aria m3/h | ||||||
| V | A | 0 Pa | 20 Pa | 50 Pa | 100 Pa | 150 Pa | 200 Pa | ||||
| 250-2T | 0,18 | 400 | 0,53 | 2740 | 62 | 2150 | 2100 | 2000 | 1800 | 1500 | |
| 250-2M | 0,18 | 230 | 1,4 | 2740 | 62 | 2150 | 2100 | 2000 | 1800 | 1500 | |
| 250-4T | 0,09 | 400 | 0,45 | 1365 | 51 | 1070 | 880 | ||||
| 250-4M | 0,09 | 230 | 0,8 | 1365 | 51 | 1070 | 880 | ||||
| 310-2T | 0,37 | 400 | 0,94 | 2770 | 71 | 3250 | 3150 | 3100 | 2850 | 2600 | 2300 |
| 310-2M | 0,37 | 230 | 3,1 | 2770 | 71 | 3250 | 3150 | 3100 | 2850 | 2600 | 2300 |
| 310-4T | 0,09 | 400 | 0,45 | 1365 | 60 | 2050 | 1930 | 1600 | |||
| 310-4M | 0,09 | 230 | 0,8 | 1365 | 60 | 2050 | 1930 | 1600 | |||
| 350-4T | 0,12 | 400 | 0,5 | 1330 | 58 | 2900 | 2700 | 2300 | |||
| 350-4M | 0,12 | 230 | 1,1 | 1330 | 58 | 2900 | 2700 | 2300 | |||
| 350-6T | 0,12 | 400 | 0,63 | 860 | 56 | 1850 | 1450 | ||||
| 350-6M | 0,12 | 230 | 1,2 | 860 | 56 | 1850 | 1450 | ||||
| 400-4T | 0,25 | 400 | 1,1 | 1370 | 63 | 4400 | 4150 | 3750 | |||
| 400-4M | 0,25 | 230 | 2,8 | 1370 | 63 | 4400 | 4150 | 3750 | |||
| 400-6T | 0,12 | 400 | 0,63 | 860 | 54 | 2750 | 2400 | ||||
| 400-6M | 0,12 | 230 | 1,2 | 860 | 54 | 2750 | 2400 | ||||
| 450-4T | 0,37 | 400 | 1,1 | 1370 | 69 | 5800 | 5600 | 5200 | 4550 | ||
| 450-4M | 0,37 | 230 | 2,8 | 1370 | 69 | 5800 | 5600 | 5200 | 4550 | ||
| 450-6T | 0,18 | 400 | 0,75 | 875 | 60 | 4200 | 3800 | 2950 | |||
| 450-6M | 0,18 | 230 | 1,8 | 875 | 60 | 4200 | 3800 | 2950 | |||
| 500-4T | 0,55 | 400 | 1,55 | 1370 | 65 | 7600 | 7400 | 7000 | 6350 | 5300 | |
| 500-4M | 0,55 | 230 | 3,9 | 1370 | 65 | 7600 | 7400 | 7000 | 6350 | 5300 | |
| 500-6T | 0,25 | 400 | 0,93 | 885 | 59 | 6000 | 5550 | 4650 | |||
| 560-4T | 0,75 | 400 | 1,79 | 1380 | 71 | 9800 | 9700 | 9200 | 8450 | 7600 | 6400 |
| 560-6T | 0,25 | 400 | 0,93 | 885 | 62 | 6500 | 6100 | 5300 | |||
| 630-4T | 1,1 | 400 | 2,7 | 1440 | 72 | 13300 | 13100 | 12600 | 11700 | 11000 | 10400 |
| 630-6T | 0,37 | 400 | 1,18 | 910 | 69 | 9700 | 9300 | 8500 | 6750 | ||
| 710-6T | 0,75 | 400 | 2,18 | 934 | 71 | 14400 | 13800 | 12800 | 10300 | ||
| 800-6T | 2,2 | 400 | 5,35 | 935 | 73 | 25500 | 24800 | 23700 | 21400 | ||
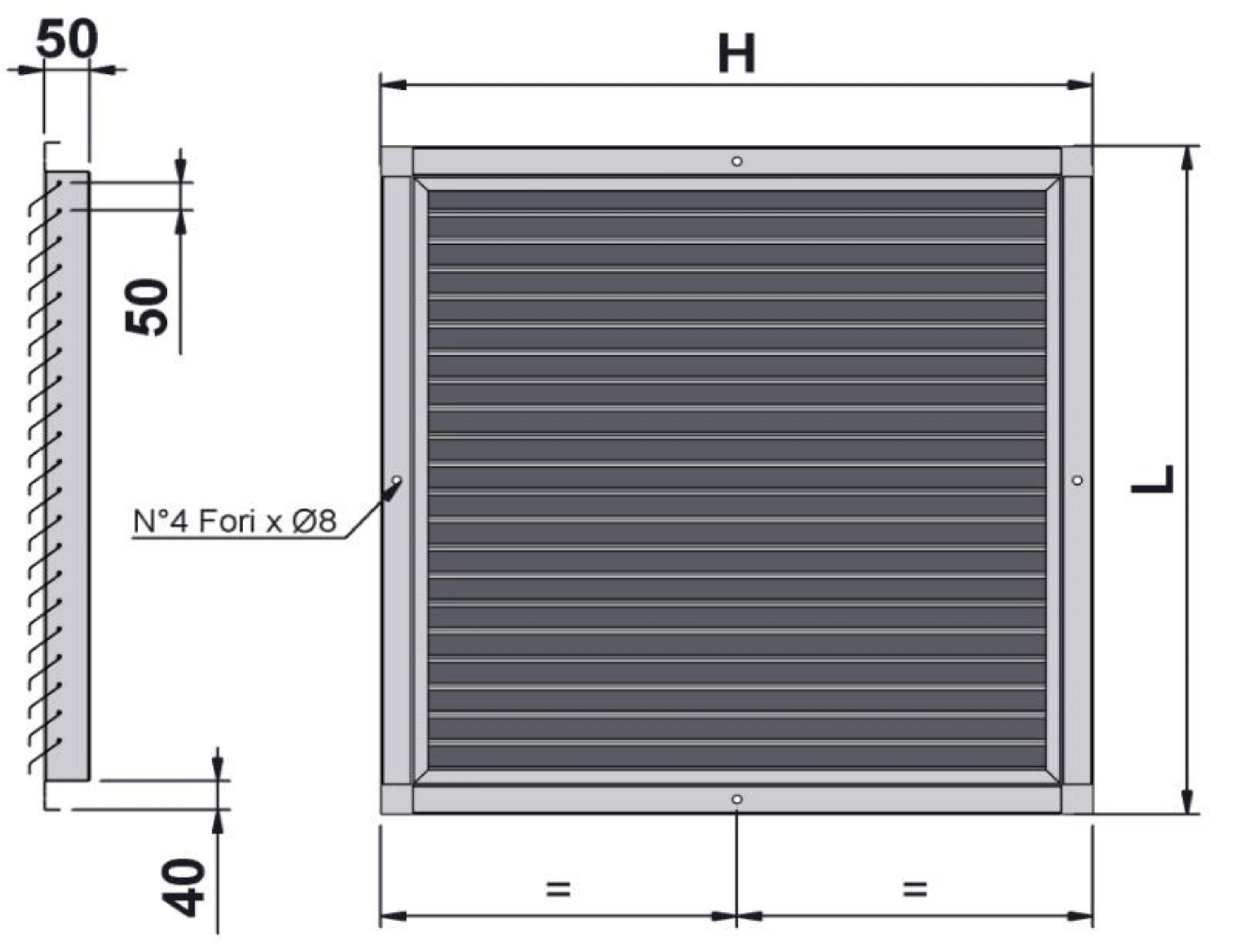
Serranda di sovrapressione
| Modello | Serranda di sovrapressione ESGQ50-D | |
| L x H (mm) | ||
| 250 | 350 | 350 |
| 310 | 400 | 400 |
| 350 | 450 | 450 |
| 400 | 500 | 500 |
| 450 | 550 | 550 |
| 500 | 600 | 600 |
| 560 | 680 | 680 |
| 630 | 730 | 730 |
| 710 | 950 | 950 |
| 800 | 1050 | 1050 |
Listino prezzi
| Modello | kW | trifase | monofase | Inverter IP20 per ventilatori trifase | Serranda di sovrapressione ESGQ50-D | |
| euro | euro | Modello | euro | euro | ||
| 250-2 | 0,18 | 586,84 | 612,65 | M130L | 715,70 | 274,03 |
| 250-4 | 0,09 | 586,84 | 601,21 | M130L | 715,70 | 274,03 |
| 310-2 | 0,37 | 666,70 | 618,26 | M130L | 715,70 | 303,60 |
| 310-4 | 0,09 | 664,75 | 618,26 | M130L | 715,70 | 303,60 |
| 350-4 | 0,12 | 638,22 | 692,26 | M130L | 715,70 | 348,94 |
| 350-6 | 0,12 | 683,75 | 683,75 | M130L | 715,70 | 348,94 |
| 400-4 | 0,25 | 638,22 | 792,11 | M130L | 715,70 | 382,46 |
| 400-6 | 0,12 | 720,76 | 720,72 | M130L | 715,70 | 382,46 |
| 450-4 | 0,37 | 772,14 | 857,62 | M130L | 715,70 | 431,74 |
| 450-6 | 0,18 | 846,17 | artVV66004560 | M130L | 715,70 | 431,74 |
| 500-4 | 0,55 | 991,54 | 1.133,99 | M130L | 715,70 | 471,17 |
| 500-6 | 0,25 | 954,26 | M130L | 715,70 | 471,17 | |
| 560-4 | 0,75 | 1.264,99 | M130L | 715,70 | 573,69 | |
| 560-6 | 0,25 | 980,09 | M130L | 715,70 | 573,69 | |
| 630-4 | 1,1 | 1.517,28 | M130M | 843,78 | 632,83 | |
| 630-6 | 0,37 | 1.225,04 | M130L | 715,70 | 632,83 | |
| 710-6 | 0,75 | 1.663,83 | M130L | 715,70 | 778,71 | |
| 800-6 | 2,2 | 2.885,95 | M130P | 1.039,65 | 879,26 | |