EDSC-C EDSC-CC EDSC-Q Diffusori a scomparsa per controsoffitto in cartongesso
Descrizione
Diffusori in gesso con forma circolare o quadrata a scomparsa per installazione su controsoffitti in cartongesso.
Caratteristiche
- Diffusori realizzati in gesso, corpo centrale verniciabile;
- Manicotto di giunzione in plastica con guarnizioni siliconiche;
- Viti di regolazioni in acciaio; Installazione facile e veloce;
- Installabili su singola e doppia lastra di cartongesso, e per spessori fuori standard;
- Serranda di regolazione già compresa;
- Imballo sicuro, nessun danneggiamento in fase di trasporto;
- Cavo di sicurezza già compreso;
- Corpo centrale fissato tramite calamite;
Modelli
- EDSC-C - Diffusori circolari a scomparsa per cartongesso;
- EDSC-CC - Diffusori circolari con effetto coanda a scomparsa per cartongesso;
- EDSC-Q - Diffusori quadrati a scomparsa per cartongesso.
Accessori
- EPZ-DC - Plenum zincato;
- EPI-DC - Plenum isolato;
- EARS-PN - Plenum zincato per connessione con tubazione HTPE;
Note
Maggiori informazioni su portate, perdite di carico e modalità di installazioni sono disponibili nella scheda tecnica nella sezione “Documentazione”.
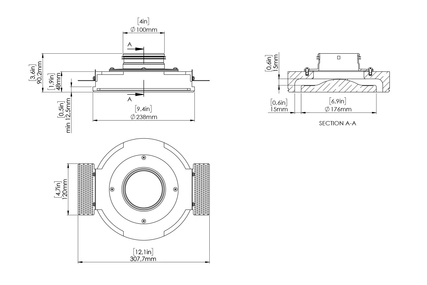
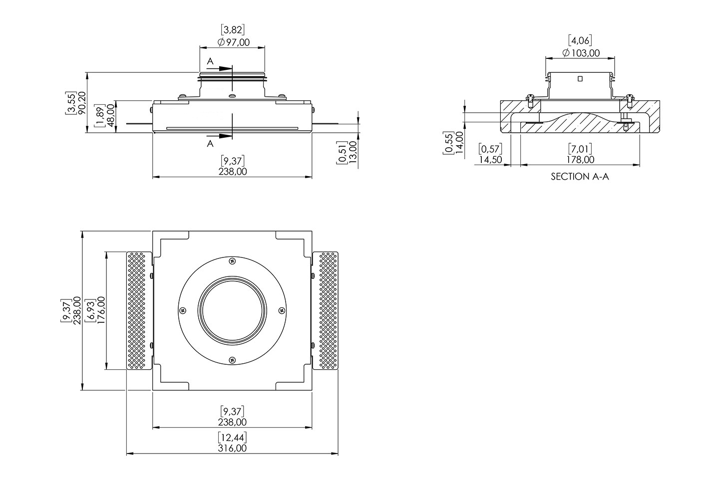
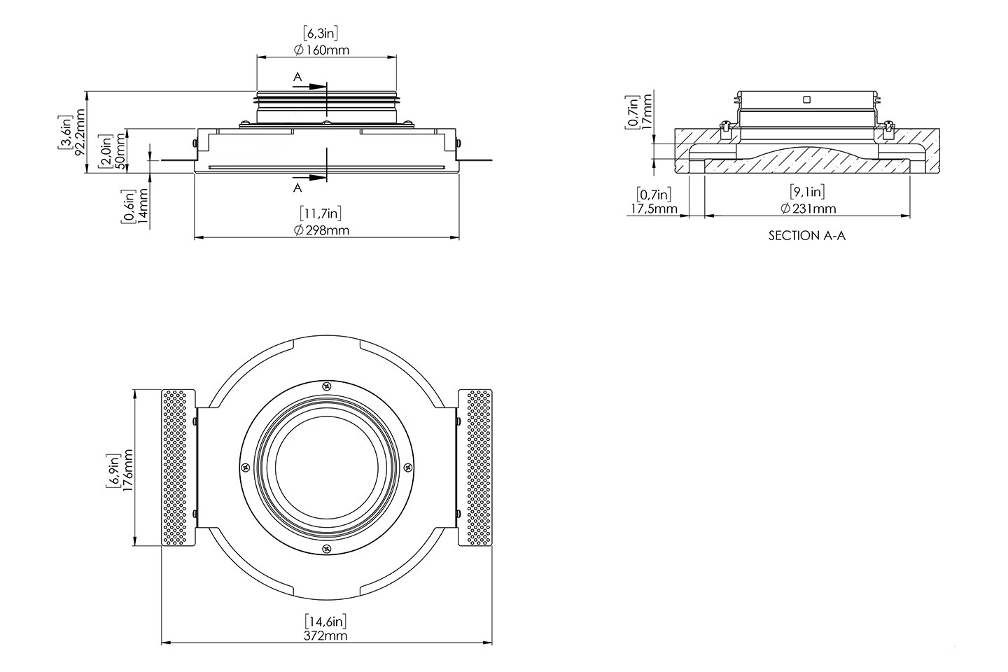
Dimensioni EDSC-C
Dati di funzionamento EDSC-C
EDSC-C 100 EDSC-C 125 EDSC-C 160Modello Unità di Misura D0 D1 D2 D3 D4 D5 D6 D7 Portata in mandata m3/h 72 88 106 58 77 93 50 66 82 40 52 65 38 47 60 37 45 57 33 41 52 n/d n/d n/d Perdite di Carico Pa 15 25 57 16 27 62 22 40 75 50 84 135 80 115 160 110 150 198 350 400 520 n/d n/d n/d Portata in ripresa m3/h 72 88 105 72 87 103 69 84 105 62 78 94 54 70 86 48 62 77 33 40 50 n/d n/d n/d Perdite di Carico Pa 13 22 40 20 30 63 29 50 100 56 105 171 110 170 270 170 220 370 400 510 650 n/d n/d n/d Portata in mandata m3/h 56 67 77 49 57 68 47 56 65 45 52 60 38 44 52 27 35 42 14 27 31 8 15 19 Perdite di Carico Pa 14 19 28 14 19 27 15 21 27 16 22 29 17 23 31 12 18 27 22 20 30 20 30 45 Portata in ripresa m3/h 88 102 123 53 64 78 51 60 70 42 51 60 37 45 54 27 32 39 26 29 36 8 11 18 Perdite di Carico Pa 17 24 35 12 17 26 14 19 28 14 18 26 15 21 30 12 17 25 15 21 30 30 39 50 Portata in mandata m3/h 92 115 125 89 105 120 78 91 117 71 83 99 69 80 91 51 61 73 47 53 61 15 21 25 Perdite di Carico Pa 14 25 27 14 23 27 13 20 27 14 21 27 16 19 30 14 19 29 16 20 30 16 20 35 Portata in ripresa m3/h 142 155 180 140 150 175 120 145 165 108 127 158 100 115 137 75 90 108 51 61 71 30 34 43 Perdite di Carico Pa 22 30 40 22 30 40 20 28 39 20 28 40 24 32 46 25 32 50 29 41 60 52 82 110 Potenza sonora db(A) 20 25 30 20 25 30 20 25 30 20 25 30 20 25 30 20 25 30 20 25 30 20 25 30
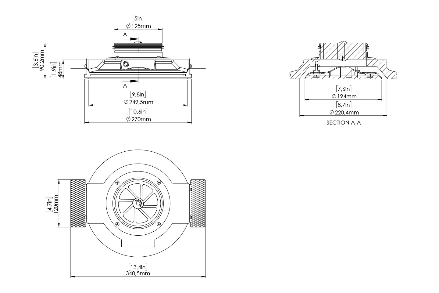
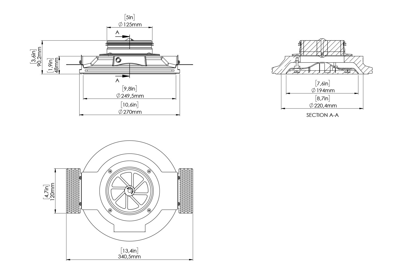
Dimensioni EDSC-CC
Dati di funzionamento EDSC-CC
EDSC-CC 100 EDSC-CC 125Modello Unità di Misura D0 D1 D2 D3 D4 D5 D6 D7 Portata in mandata m3/h 52 81 74 37 48 58 35 40 47 31 40 46 20 25 30 15 19 22 11 14 16 n/d n/d n/d Perdite di Carico Pa 15 20 28 23 28 33 32 31 57 27 26 31 19 30 43 45 57 77 110 140 200 n/d n/d n/d Portata in ripresa m3/h 88 98 115 45 50 62 34 41 50 30 43 52 29 35 41 18 21 28 13 18 21 n/d n/d n/d Perdite di Carico Pa 23 37 51 22 28 38 25 46 65 29 60 91 33 72 95 35 52 93 97 154 200 n/d n/d n/d Portata in mandata m3/h 72 86 99 52 64 78 50 58 69 46 53 62 29 37 44 24 28 32 17 19 22 8 10 13 Perdite di Carico Pa 14 19 26 13 17 26 13 12 23 14 13 16 9 14 21 13 19 25 17 26 37 27 37 51 Portata in ripresa m3/h 120 136 162 63 72 88 49 60 72 44 58 70 42 51 60 29 34 41 22 24 28 9 12 14 Perdite di Carico Pa 22 35 49 13 28 40 13 25 38 14 29 42 14 30 42 14 20 39 20 34 49 40 75 115 Potenza sonora db(A) 20 25 30 20 25 30 20 25 30 20 25 30 20 25 30 20 25 30 20 25 30 20 25 30
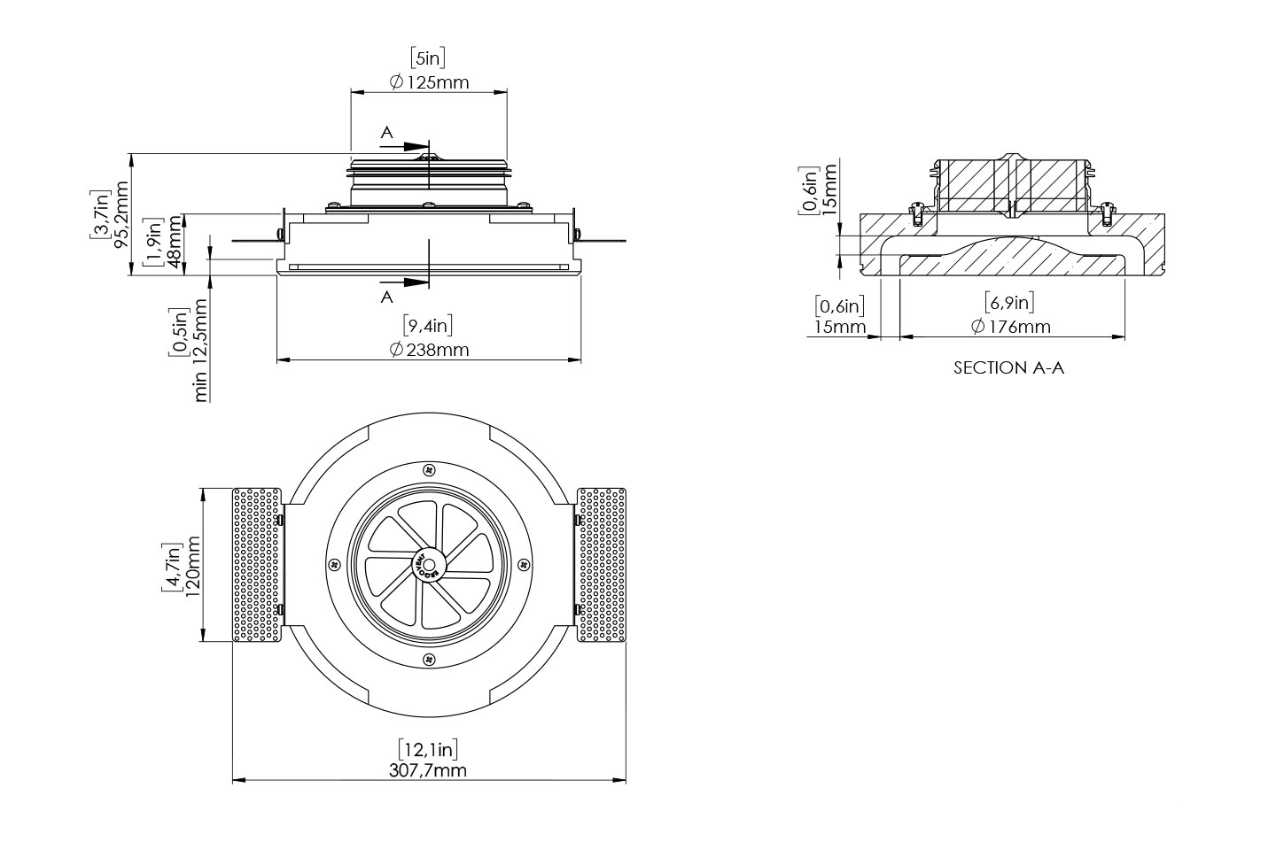
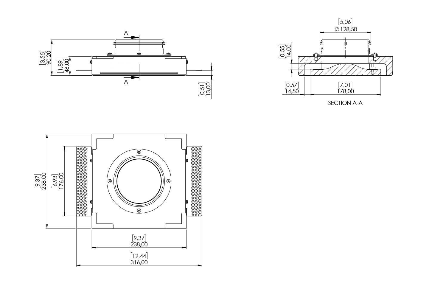
Dimensioni EDSC-Q
Dati di funzionamento EDSC-Q
EDSC-Q 100 EDSC-Q 125Modello Unità di Misura D0 D1 D2 D3 D4 D5 D6 D7 Portata in mandata m3/h 75 90 108 51 65 81 29 58 70 40 51 62 37 48 57 35 42 52 32 41 49 n/d n/d n/d Perdite di Carico Pa 14 22 30 23 27 40 45 40 49 42 58 75 55 75 100 90 135 180 250 400 600 n/d n/d n/d Portata in ripresa m3/h 77 91 110 69 84 102 61 78 94 53 69 88 48 62 175 42 43 54 28 38 49 n/d n/d n/d Perdite di Carico Pa 13 13 29 26 35 50 37 48 83 49 75 130 65 100 80 85 130 175 190 300 512 n/d n/d n/d Portata in mandata m3/h 75 90 108 61 79 96 52 68 84 47 60 75 44 55 69 41 50 63 37 45 58 34 41 52 Perdite di Carico Pa 12 20 32 14 23 35 18 26 40 23 30 45 27 37 51 35 48 70 50 75 105 160 200 500 Portata in ripresa m3/h 75 90 108 74 98 108 74 96 104 70 85 102 66 82 99 61 55 93 52 67 83 35 42 54 Perdite di Carico Pa 13 20 37 17 25 40 20 27 45 24 35 52 27 40 70 35 77 110 52 100 190 150 220 360 Potenza sonora db(A) 20 25 30 20 25 30 20 25 30 20 25 30 20 25 30 20 25 30 20 25 30 20 25 30
Plenum EPZ-DC EPI-DC
Tutte le misure sono espresse in mm.
Modello L H P Ø A2 Diffusore Ø B2 Tubo Flessibile o Rigido C2 D2 100 200 200 200 102 100 70 100 125 200 200 200 127 125 70 100 160 250 250 250 162 155 70 100
Listino Prezzi
Fornitura e posa in opera di diffusori d’aria a scomparsa per installazione in controsoffitti in cartongesso, del tipo EDSC-C (circolare), EDSC-CC (circolare con effetto coanda), EDSC-Q (quadrato) prodotti da Ecoclima o equivalente, rispondenti alle seguenti caratteristiche tecniche:
- realizzati in gesso, idoneo alla rasatura e tinteggiatura;
- progettati per installazione a incasso totale, senza elementi metallici o plastici a vista;
- compatibili con controsoffitti in cartongesso a una o più lastre;
- dotati di sistema di fissaggio regolabile per l’adattamento alle diverse altezze di installazione;
- completi di parte centrale ispezionabile, con fissaggio magnetico o equivalente;
I diffusori dovranno garantire funzionamento sia in mandata che in ripresa aria, regolazione della portata mediante dispositivo di taratura integrato, facilità di manutenzione e ispezione.